| Rhétorique des médias interactifs |
© Louis-Claude
Paquin, UQÀM |
Animaux et androïdes
Canard digérateur
Le Canard Digérateur, chef-d’oeuvre de simulation anatomique, fut présenté par Vaucanson à l’Académie des Sciences en 1738. Il est décrit dans un catalogue comme suit : « Un canard artificiel en cuivre doré qui boit, mange, croasse, barbotte dans l’eau et fait la digestion comme un canard vivant ».
Avec cet automate mécanique, Vaucanson s’attaquait à la représentation du fonctionnement organique, appelée alors anatomie mouvante. Le mécanisme, entraîné par un poids, comportait plus de mille pièces mobiles : bielles, cames et pistons. Il comportait même un intestin en tuyau de caoutchouc provenant du Nouveau Monde.
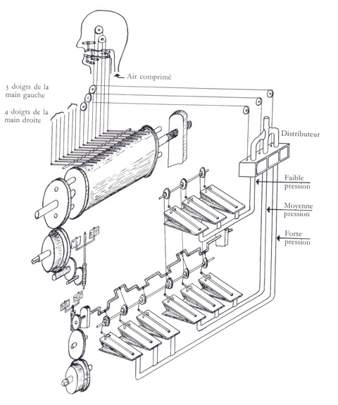
Le fluteur


Le Joueur de Flûte ou Flûteur de Vaucanson (1737) est un androïde assis d’un mètre et demi, automate à forme humaine qui accomplit des gestes semblables à ceux de l’humain.
À l’image d’un flûtiste, l’automate de Vaucanson jouait 12 airs différent, dont " Le Rossignol ” de Blavet. Le mécanisme imite les effets et les moyens de la nature avec exactitude et perfection.
L’automate accomplit rigoureusement les mêmes gestes et obtient les mêmes résultats : boucher les trous avec les doigts, donner le coup de langue adéquat pour produire certaines notes. Le fonctionnement du flûtiste est néanmoins totalement différent de celui du modèle humain; il ne s'agit pas d'un être biologique, mais mécanique.
Par un engrenage, l' axe moteur transmet simultanément le mouvement à deux composants: la soufflerie génère une forte, moyenne ou faible pression, et le cylindre à cames constitue le programme, c’est-à-dire la pièce musicale à jouer.
De gauche à droite, les tiges reliées aux différentes cames du cylindre actionnent trois doigts de la main gauche et les quatre doigts de la main droite du flûtiste. Trois autres cames permettent d'obtenir le mélange de pression désirée pour une note donnée. Les cinq dernières cames servent à placer les lèvres et à activer le coup de langue qui permet d'effectuer des forts, des crescendos et même des échos sur une anche automatique.
| dernière mise à jour : |